Halvljusautomatik
Forum / Modellspecifika forum / OG900 / Halvljusautomatik
- Detta ämne har 9 svar, 3 deltagare, och uppdaterades senast 2019-08-14 20:59 av
kjellake.
-
FörfattareInlägg
-
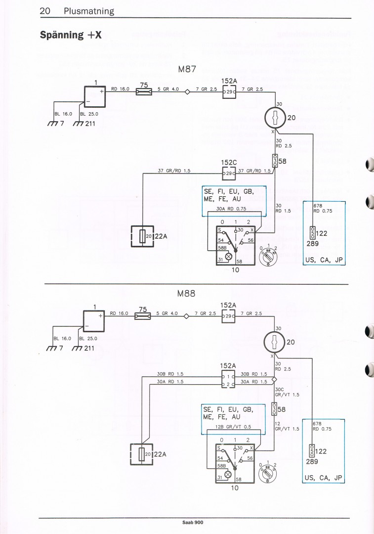
Från tändlåset går en spänning + x (röd kabel) till en anslutning märkt x på ljusvredet. När den anslutningen får spänning (tändlås på) och vredet är i läge 2 går spänningen vidare till reläet som styr omkopplingen mellan hel och halv. Det verkar ju som det av någon anledning alltid ligger spänning på anslutningen x eller att det är ett fel i ljusvredet. Jag vet inte hur vredet ser ut inuti, om ett sånt fel är möjligt.
Anonymaugusti 12, 2019 kl. 22:46 #462176Dom där ljusvred/omkopplare, de kan ställa till med lite av varje ”roliga” fel/symptom –
jag hade nog testat med ett annat ?Är samma som sitter i NG 900 – OG 9-3 samt 9000
Jag var tydligen för snabb när jag valde schema att kolla på. Jag valde det för 84 och framåt men sen kom ju ändringar -87 och -88 och därmed ett nytt schema.
På 88:an byter den röda kabeln färg i ett skarvhus till grå-vit som du har. Men även om den byter färg så är inte funktionen ändrad, finns det alltid spänning på anslutningen x så kommer ljuset alltid lysa i läge 2.
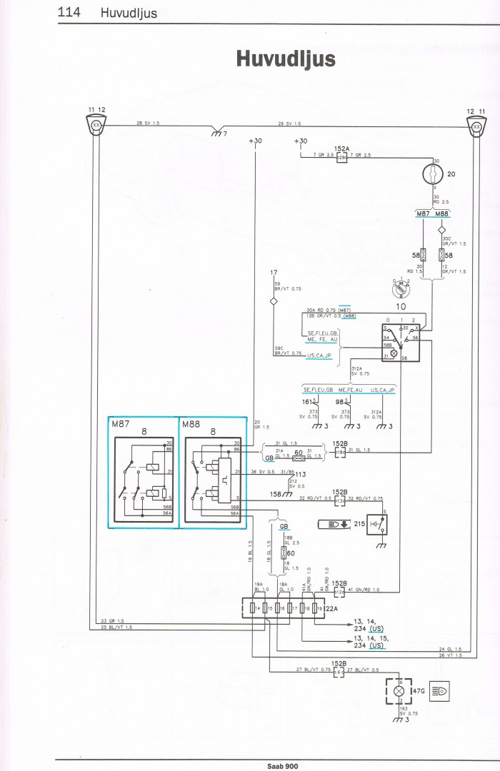
Anslutningen 10, finns den också på vredet? Ser ingen sån på schemat.Provade att scanna schemat, jag vet inte hur pass läsbart det blir, bifogar det i alla fall. 20 på schemat är tändlås, 10 är ljusvredet.
Tillägg: Det finns ju en ständig spänning till ljusvredet, anslutning 30, avsett för parkeringsljus. Om det är fel inne i vredet kan man förstås tänka sig att den spänningen även matas till hel/halv. Om man tar bort kabeln till x ska ljuset slockna om allt är OK.
Har man ett annat ljusvred är det förstås som Regin föreslår enklast att bara prova att byta. 🙂
-
Det här svaret redigerades för 6 år, 8 månader sedan av
kjellake.
Attachments:
Har nu tagit fram tändningslåset, med röd kabel borttagen är anslutning x spänningslös, man får spänning när tändningen vrids ett hak. Röd kabel byter tydligen färg till grå-vit på väg till omkopplaren, med omkopplaren borttagen och tändlås bortkopplat är kabeln spänningsförande i båda ändarna! Något matar ström i kabeln på mitten. Bilen har X-ljus bensinvärmare stereo, jag får försöka följa kabelhärvan. Mats
Det fanns också ett schema på just den här spänningen + x. Där röd byter färg till grå-vit (en delning direkt i kabelhärvan) fortsätter också röd till säkringshållaren vid vänster innerskärm (22A) och går enl. schemat till säkring 20. Säkring 20 kallas i boken ”radio”, kan kanske vara värt att kolla om nån kopplat på något där.
Attachments:
Rev ut radion, den var kopplad med sedvanligt kontaktdon plus tre st fuskkopplingar varav en var kopplad till en grå strömförande 2,5 kvadrats kabel från en kabelhärva som inte används. Pillade bort fuskskarven och radion blev strömlös, vred nyckeln till radioläge och allt fungerar. Även ljusautomatiken. Jag tror inte något mer är inkopplat där, framtiden får visa om något annat har slutat fungera. Lägger in en bild på eländet och tackar Kjellake för hjälpen, och en bild på bilen, endast 12500 mil. mats
Attachments:
-
Det här svaret redigerades för 6 år, 8 månader sedan av
-
FörfattareInlägg
- Du måste vara inloggad för att svara på detta ämne.





